トップページへ

呼び50ミリ塩ビ管用、洗濯機排水トラップ(VP・VU兼用、ステンレス製つば)

   

 


 

 


    ■ 呼び50ミリ塩ビ管の立管内部に設置する洗濯機排水トラップです。

内部の封水により下水との縁を切り、臭気や害虫等の侵入を防ぎます。

■ 内部のトラップは後から着脱できるので、排水がトラップ桝に接続されていた場合でも、二重トラップにならないよう後から対応できます。

■ 軟質ホースにも対応できるようインナーも付属しています ■ 化粧カバー、ホースバンド、ビス等も一式セットになっているので、このセットだけで基本工具があれば初めてでも取付け可能です。

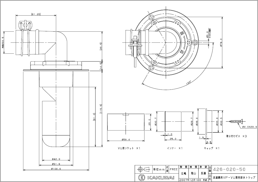
■ 素材:ABS樹脂、ステンレス ■ 適合パイプ 呼び50ミリVPかVU管に適合(管外径60ミリ) ※参考:硬質塩化ビニール管の寸法表へ ■ 必要立管長さ ■横引き管の管底から床仕上げ面まで150ミリ以上の長さが必要 ※専用横引きソケットを使用すれば120ミリ以上に短縮可能 ■ 参考図面  GIFファイル (自動で縮小表示された場合には画面上をクリックし拡大してご覧ください) ■ 取付け方法 排水立管を床仕上げ面以下で切断します。

つば付部分を接着し床上面から付属ビスで固定します。

内部のトラップ部分をセットし化粧カバーを取付けます。

後は排水エルボを仮付けし、洗濯機排水ホースのねじれをなくしてスムーズに排水できる方向を決めます。

一旦エルボを外し排水ホース側を本付けし、排水トラップ側に取付けます。

エルボを水に濡らすと付けやすくなります。

差込みしろはどちら方向も最後まで全部差し込んでください。

取付け後は必ず通常水量を排水をして排水の状態と漏水の有無を確認してください。

排水系統がトラップ桝に接続してあった場合には内部のトラップを取外してご使用ください。

エルボの差込みが不十分な場合には排水が漏水し家財を傷める恐れがあります十分ご注意ください ■ 必要工具類 プラスドライバー、塩ビのこ、接着剤、雑巾等が必要 洗濯トラップ一式、排水エルボ、ホースバンド、インナー、説明書  

  • 商品価格:2,893円
  • レビュー件数:1件
  • レビュー平均:5(5点満点)

楽天で購入

トップページへ


TOP